K3D
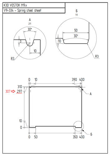
V9-334 М9 - неправильно указан размер
VOSTOK - Багтрекер
solved
,
bug
SHIBORG
29.Январь.2026 09:41:41
1
IMG_55767
938×1326 37 KB
dsorkin
29.Январь.2026 13:28:11
3
Исправлено в 9.1-bugfix1